首页 公司简介 产品展台 开发生产 资料下载 技术支持 解决方案 展会消息
代理经销 集成电路 高频微波 消费电子 工控网络 安防报警 光纤光电 汽车电子
合作交流 留言本 友情连接 热卖产品 销售网络 招聘加盟 新品介绍 联系我们
传感器/变送器/仪表按厂商品牌选用指南按种类分类选用指南按行业应用选用指南模块模组隔离/采集/采集器/数据采集系统
产品资料 技术资料 样例工程 产品驱动 参考设计 应用电路 通讯协议 使用说明 支持软件 数据查询 问题解答 标准法规 图书资料 基础知识
 

人体感应模块--被动式

  SS-101系红外感应列产品

  常用标准型号

  透镜超小型

 长条超小透镜

长型超小透镜

分体式模块

长条分体

中尺寸分体

长型分体

  人体感应模块--主动式

    型号1

    型号2

SS-968雷达模块

- SS-807感应开关
-
SS-918有线探头
-
SS-9181有线探头
-
SS-032有线探头
-
SS-7832有线探头
+
人体红外线感应模块
-
SS-718人体感应模块
-
SS-7182人体感应模块
-
SS-718C人体感应模块
+
超声波感应模块
-
SS-311超声波感应模块
- S
S-311RT超声波感应模块
+
可燃气体感应模块
-
SS-310煤气感应模块
+
315M/433M高频收发模块
-
SS-2082接收模块
-
SS682接收模块
-
SS-610发射模块
+
湿度模块
-
HSM-20G湿度模块
-
HTF3223湿度模块
-
HTF3225湿度模块
+
微波模块
-
SS100微波移动传感器
-
SS-719微波感应模块
+
315M/433M高频工业控制器
-
SS-1226控制器
-
SS-1228控制器
+
烟雾/煤气感应模块
-
SS-312烟雾/煤气感应模块
 


人体感应开关--墙壁式安装
人体感应开关--吸点式安装
无线遥控开关系列


 

数码卷闸门遥控器
数码管状电机遥控器
数码遥控--直流电机控制器

固定码-遥控器(软封芯片)
固定码-遥控器(硬封芯片)
滚动码-遥控器
金属壳-遥控器
大功率-遥控器

无线发射模块--RF
超再生接收模块--RX
超外差接收模块--RX

电话拨号智能报警器
现场报警智能报警器

无线红外探测器+门磁
无线烟雾感应器+气感

DC供电无线遥控开关模块
AC供电无线遥控开关模块

 
 
 
 
 
 
 
 
 
 
 
 
 
 
 
 
 

湿度传感器
发表时间:2011-08-30浏览量:48

点这下载PDF文档

 

产品名称:湿度传感器
产品型号:ST-HR102
产品简介:
 

 

 
 
一、产品简介:
该产品名为电阻型高分子湿度传感器(湿敏电阻),是一种新型的湿度敏感元件,采用功能高分子膜涂敷在带有导电电极陶瓷衬底上,形成阻抗随相对湿度变化成对数变化的敏感部件,导电机理为水分子的存在影响高分子膜内部导电离子的迁移率。
 
二、特点:
具有体积小,感湿范围宽,响应速度快,灵敏度高,性能稳定可靠,性价比高,低漂移、高精度、一致性好等特点。
 
三、适用范围:
电子、纺织、仓储、烟草、制药、气象、医疗设备等行业;
电子万年历、温湿度表、玩具及工艺品,以及其他需湿度测量的场所等产品。
 
四、型号规格:
ST-HR102,特征阻抗31KΩ
 
五、电气性能:
  定额电压:1.5V AC(MAX,正弦波);
  工作温度:0℃—60℃;
  工作湿度:20%—95%RH;
  温度特性:≤0.5%RH/℃
  湿滞回差:≤2%RH;
  稳定性:≤3%RH/年,不抗结露;
  湿度检测精度:≤±5%RH;
 
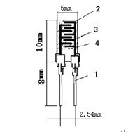
六、外形尺寸图:
1—引出脚  2—基片  3—碳电极    4—感湿膜
                 1008  外形尺寸图
 
 1—引出脚  2—基片  3—碳电极    4—感湿膜
           1005  外形尺寸图
 

 

 

 

SUNSTAR系列红外感应模块感应开关感应灯选型手册 SS-968微波感应模块/雷达探测模块使用说明
SS-9261微波感应模块/雷达探测模块使用说明 SSD系列温度传感器/变送器产品选型手册
SSD系列压力变送器选型手册 SSD系列温湿度变送器选型手册
SSD系列环境监控产品选型手册 SSD系列智能数字仪表手册
SUNSTAR系列湿敏电阻/湿敏电容/变送器/加湿器/水浸传感器/热敏电阻详细资料说明书下载 SUNSTAR紫外光敏管/紫外光管/紫外光电管/火焰监测仪/火焰传感器选型配套手册
 
  
 
   
 
产品名称:智能型温湿度变送器
产品型号:ST-HTW304B
 
 
   
 
   
 
产品名称:水探测器
产品型号:ST-RW-I301G
 
 
   
 
   
 
产品名称:湿度传感器
产品型号:ST-HR100
 
 
   
 
   
 
产品名称:湿度传感器
产品型号:ST-HR101
 
 
   
 
   
 
产品名称:湿度传感器
产品型号:ST-HR102
 
 
   
 
   
 
产品名称:湿度传感器
产品型号:ST-HR104
 
 
   
 
   
 
产品名称:湿度传感器
产品型号:ST-HR002
 
 
   
 
   
 
产品名称:湿度传感器
产品型号:ST-HR006
 
 
   
 
   
 
产品名称:温湿度传感器模块 ST-HRTM202
产品型号:ST-HRTM202
   
 
   
 
产品名称:温湿度传感器模块 ST-HRTM206
产品型号:ST-HRTM206
 
 
   
 
   
 
产品名称:温湿度传感器模块 ST-HCTM202
产品型号:ST-HCTM202
 
 
   
 
   
 
产品名称:温湿度传感器模块 ST-F3226
产品型号:ST-F3226
 
 
   
 
   
 
产品名称:湿度传感器模块 ST-HRM203
产品型号:ST-HRM203
 
 
   
 
   
 
产品名称:温度传感器模块 ST-TM103
产品型号:ST-TM103
 
 
   
 
   
 
产品名称:网络型温湿度变送器
产品型号:STHTW-D304B
 
 
   
 
   
 
产品名称:室内温湿度变送器(电流型)
产品型号:STHTW-I303C
 
 
   
 
   
 
产品名称:室外温湿度变送器
产品型号:STHTW-D304F
 
 
   
 
   
 
产品名称:管道式温湿度变送器(电流型)
产品型号:STHTW-I303E
   
 
   
 
产品名称:温度变送器
产品型号:ST-TW-I303F2
 
 
   
 
   
 
产品名称:露点温度变送器
产品型号:STDPTW-I303F-1
 
 
   
 
   
 
产品名称:智能温湿度控制器
产品型号:ST-HTC404
 
 
   
 
   
 
产品名称:数字式湿度控制器
产品型号:ST-HTC402
 
 
   
 
   
 
产品名称:机电式湿度开关
产品型号:ST-HTC401A1
 
 
   
 
   
 
产品名称:湿度液位控制器
产品型号:STHWC-407
 
 
   
 
   
 
产品名称:智能记录仪
产品型号:ST200
 
 
   
 
   
 
产品名称:电子式温湿度开关
产品型号:STHTC-402D
 
 
   
 
   
 
产品名称:液位传感器
产品型号:ST-WW-I303F4
 

 
   
 
   
 
产品名称:湿度传感器模块 ST-HRM207
产品型号:ST-HRM207
 
 
   
 
   
 
产品名称:温湿度传感器模块 ST-HRTM220A
产品型号:ST-HRTM220A
 
 
   
 
   
 
产品名称:管道式温湿度变送器(电压型)
产品型号:STHTW-V302E
 
 
   
 
   
 
产品名称:室内温湿度变送器(电压型)
产品型号:STHTW-V302C
 

更多产品请看本公司产品专用销售网站:

欢迎索取免费详细资料、设计指南和光盘 ;产品凡多,未能尽录,欢迎来电查询。

SSTKJ中国传感器科技信息网:http://www.sensor-ic.com/     SSTKJ工控安防网:http://www.pc-ps.net/

SSTKJ电子 元器件网:http://www.sunstare.com/            SSTKJ微波光电产品网:HTTP://www.rfoe.net/

SSTKJ消费电子产品网://www.icasic.com/                   SSTKJ实业科技产品网://www.sunstars.cn/传感器销售热线:

    地址:深圳市福田区福华路福庆街鸿图大厦9732室

    电话:0755-83376489 83376549 83607652 83370250   83370251  

    传真:0755-83376182  (0)13902971329  MSN: SUNS8888@hotmail.com

    邮编:518033   E-mail:szss20@163.com     QQ: 195847376

    深圳赛格展销部:深圳华强北路赛格电子市场9583号 电话:0755-83665529   13823648918 FAX:0755-83376182

    技术支持: 0755-83394033 13501568376

    北京分公司:北京海淀区知春路132号中发电子大厦3097     TEL4006579498  18927445855  13823791822  FAX010-62543996 

    上海分公司:上海市北京东路668号上海賽格电子市场地下一层D25号      TEL4006571586  56703037  13823676822  FAX021-56703037

    西安分公司:西安高新开发区20(中国电子科技集团导航技术研究所)     西安劳动南路88号电子商城二楼D23 

            TEL4006572198  13072977981  FAX:029-77678271