|首页|

 |公司简介|

|射频微波|

|仪器仪表|

|通信产品|

|客户留言|

|专家名人|

|技术支持|

 |资料下载|

|解决方案|

|光纤光电|

|微波论坛|

|无线世界|

|客户服务|

|内动态|

 |天线工程|

|微波EDA|

|电磁兼容|

|图书资料|

|友情连接|

|联系我们|

  按产品分类选型指南  
  按厂家品牌选型指南  
  按产品应用选型指南  
  技术文章技术资料  
  技术标准法律法规  
  基础知识技术园地  
  常用数据查询手册  
  SSTKJ自 制微波光电  
  SUNSTAR定制OEM  
  新品发布  
  热销产品  
  特价产品  
 

、产品分类介绍:  

A、射频微波元器件

->射频模块/功率管
->
频管
/高频/微波管
->
混频器
->
放大器
->
衰减器
->
双工器
->
功分器
->
隔离器
->开关/射频微波开关
->
低噪声管
->
温补晶振
/晶体振荡器
->
负载电阻
->
PIN二极管
->
PLL锁相环
->
通信IC
->
介质滤波器
->
声表滤波器
/SAW
->
混合耦合器
->
高频微波电容
->
高频微波电感

->特价库存微波元件

->电源系统专用元件

->高频功放模块

->特殊专用元件

->高频三极管

->无线电发射专用管发射管

->高频场效应管

->GaAs微波功率晶体管

->MOS双极性晶体管

->微波毫米波振荡器

->频率源/频率综合器

->倍频器/倍频器模块

->MMIC混频器

  同轴和波导混频器

->MMIC移相器及移相器模块

->MMIC功率放大器低噪放

->对数检波视频放大器

->MMIC KU到KA收发器

->MMIC开关及模块

->同轴及波导负载部件

->MMIC同轴及波导衰减器

->同轴定向耦合器部件

->适配器转换

->速调管、行波管检波器

->波导部件和旋转关节

->功分器合路器双工器

->毫米波测试设备

->限幅器

->高功率倍增器

->射频连接/接插/线缆

->射频微波材料

->军品高精度晶体振荡器

-> 通信专用元器件

-> 电子管/真空管/闸流管

-> FREESCALE/MOTOROLA

-> ERICSSON爱立信系列

-> NXP/PHILIPS飞利浦系列

-> TOSHIBA东芝系列

-> MITSUBISHI/RENESAS

-> M/A-COM系列

-> ASI系列

-> EUDYNA/FUJITSU富士通

-> HP/AGILENT/Avago

-> NEC日电系列

-> HITACHI/RENESAS日立

-> SONY索尼系列
->
UMS

-> Mini-circuits

-> SIRENZA

-> ALPHA

->  WJ

-> RFMD

-> APT

-> HITTITE

-> ST意法半导体

-> QUALCOMM高通

-> PDI

-> CML

 

B、光通讯元器件

->光电通讯元器件

->光耦/光电耦合器

->Agilent光模块

->AMP光模块

->SIEMENS光纤收发模块

->OCP光纤收发模块

->CISCO光纤收发模块

->GBIC光纤收发模块

->光纤收发

->常用光电元器件库存

 

C、二极管、三极管

->二极管/变容管/变阻管

->三极管/晶闸管/场效应管

->2SJ系列电子器件

D、无线收发、无线射频IC

E、无线收发模块

F、GSM/CDMA/GPRS通信模块

G、GPS模块/天线/方案

H、扩频模块/MODEM模块

I、遥控器/遥控开关/模块

J、通信继电器/干簧管

K、电源模块/模块电源

L、通信变压器

M、通信防雷器/TVS管

N、无线收发芯片和模组

O、数据通信芯片

 

二、产品图文介绍:

 
 
 
 
 
 
 

 

 
Hittite公司有从低频到高频, 从低功率到高功率等一系列的射频开关.


本文就对部分SPDT开关做一个快速选型的介绍, 更多的器件选择请直接联系我们

 

Hittite射频开关快速选型指南

 

引言

很多时分系统都需要用到射频开关, 特别是TD系统,开关更是必不可少.

 

右边框图就是射频开关在TD中的典型应用:

发射信号通过PA放大后,送到环形器,再经过天线口发射.
接收信号从天线进来,经过环形器, 再经过射频开关,送到LNA.

 

Hittite公司有从低频到高频, 从低功率到高功率等一系列的射频开关.

本文就对部分SPDT开关做一个快速选型的介绍, 更多的器件选择请访问

 

低成本的射频开关

表1*:

 

f

IL

Isolation

P1dB

IIP3

Vctl

HMC226

DC-2

0.8

15

38

61

0/+3V/+5V**

HMC545

DC-3

0.3

31

34

65

0/+3V/+5V/+8V

 

HMC226和HMC545频率从DC-2~3GHz, 可以用在450MHz,900MHz, 1.8-2.0GHz, TD等应用,差损只有0.5到0.8dB.

SOT26封装形式简单,成本低,适用于一些对指标要求不高,成本控制比较严格的场合. 如无线抄表等.

 

高隔离度射频开关

图2: HMC545 表2:

 

f

IL

Isolation

P1dB

IIP3

Vctl

HMC348LP3

DC-2.5

0.6

52

28

51

0/+5V

HMC194MS8G

DC-3

0.6

42

28

53

0/+5V

HMC349MS8G

DC-4

1.0

57

31

50

0/+5V

HMC270MS8G

DC-8

0.8

48

24

38

0/-5V***

HMC232LP4

DC-12

1.2

54

26

50

0/-5V

 

 

采用非反射式结构, 开关内部集成50 ohms负载,吸收多余的功率,因此隔离度可以做得很高.

 

HMC39MS8G在2015MHz差损是1.0dB,隔离度高达57dB.同时它还有一个使能端Pin4 EN.

当EN为高电平时, RF1/RF2全部OFF;
当EN为的电平时,开关正常工作.

 

图3:HMC349MS8G

高功率射频开关

表3

 

f

IL

Isolation

P1dB

IIP3

Vctl

HMC574MS8

DC-3

0.3

28

38

63

0/+3V/+5V/+8V

HMC546MS8G

0.2-2.2

0.6

22/34

43/22

67/43

0/+3V/+5V/+8V

HMC484MS8G

DC-3

0.6

30

40

70

0/+3V/+5V/+8V

HMC646LP2

0.1-2.1

0.7/1.3

18/29

46/20

74/34

0/+3V/+5V/+8V

 

HMC646LP2

是一款GaAs MMIC开关, 在Tx端口, P0.1dB为+46dBm, IIP3为+74dBm. 非常适合用在TD的大功率直放站或者基站中.

 

射频开关在CATV中的应用

HMC348LP3 用在75 Ohms中, 900MHz的指标如下:

表4

 

f

IL

Isolation

P1dB

IIP3

Vctl

HMC348LP3

DC-2.5

1.2

57

28

51

0/+5V

 

 

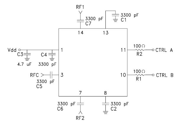
在500MHz以下的电路应用中, 图中C1/C2电容对隔离度的影响非常明显. 为了使开关有理想的隔离度,这个两个3300p的电容是必不可少的.

 

在500MHz以上电路, C1/C2可以100pF到300pF的电容.

 

 

图四:HMC348LP3应用电路

 

Notes:

* 除非特殊说明,本文所有数据全部在f=2015MHz,Vctl=+5V 测得

** 控制电压越大,开关的P1dB和IIP3也会相应的增加. 以HMC226为例, 900MHz测试:

*** 采用负压控制,可以实现宽频带控制, 最低频率至DC.

 

 

更多产品请看本公司产品专用销售网站:欢迎来电查询购买SSTKJ产品或索取免费详细资料、设计指南和光盘 ;产品凡多,未能尽录,欢迎来电查询。

SSTKJ射频微波光电产品网:HTTP://www.rfoe.net/  SSTKJ传感器专家仪器仪表世界网:http://www.sensor-ic.com/

智能工控公共安全网:http://www.pc-ps.net/         电子元器件网:http://www.sunstare.com/

军工产品网:hrrp://www.Junpinic.com/      单片机专用电路网://www.icasic.com/

科技产品网://www.sunstars.cn/   射频微波光电元器件销售热线:

    地址:深圳市福田区福华路福庆街鸿图大厦1602

    电话:0755-83396822 83397033   

    传真:0755-83376182  013823648918  MSN: SUNS8888@hotmail.com

    邮编:518033   E-mail:szss20@163.com     QQ: 195847376

    深圳赛格展销部:深圳华强北路赛格电子市场2583号 电话:0755-83665529   13823648918

    技术支持: 0755-83394033 13501568376

    北京分公司:北京海淀区知春路132号中发电子大厦3097  TEL  18927445855  13823791822  FAX010-62543996 

    上海分公司:上海市北京东路668号上海賽格电子市场D125  TEL  56703037  13823676822  FAX021-56703037

    西安分公司:西安高新开发区20(中国电子科技集团导航技术研究所西安劳动南路88号电子商城二楼D23 

            TEL  18926764199  FAX:029-77678271